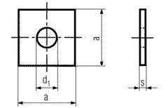
Copper Washers DIN 436

|
| d1 |
used for |
a |
s |
| 9 |
M 8 |
- |
- |
| 11 |
M 10 |
30 |
3 |
| 13.5 |
M 12 |
40 |
4 |
| 17.5 |
M 16 |
50 |
5 |
| 22 |
M 20 |
60 |
5 |
| 24 |
M 22 |
70 |
6 |
| 26 |
M 24 |
80 |
6 |
| 30 |
M 27 |
90 |
6 |
| 33 |
M 30 |
95 |
6 |
| 36 |
M 35 |
100 |
6 |
| 39 |
M 38 |
110 |
8 |
| 42 |
M 41 |
125 |
8 |
| 45 |
M 44 |
135 |
8 |
| 48 |
M 47 |
140 |
8 |
| 52 |
M 51 |
150 |
10 |
| 56 |
M 55 |
160 |
10 |
Please contact us for all your needs of Copper Washers DIN 436 at best prices from india. We are the biggest indian manufacturers exporters of Copper Washers DIN 436
|